Search by tip series
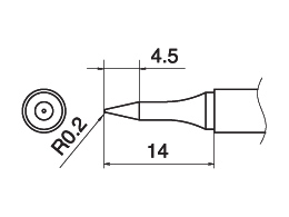
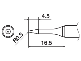
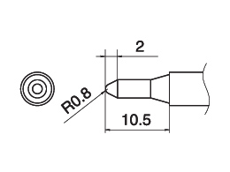
T12 Series Soldering Tips (Narrow-pitch Soldering Type (Shape S))
All | Standard Type | SMD Type | Narrow-pitch Soldering Type (Shape S)
T12 Series is available in North America & EU.

* Click icon and jump to each tip shape view.
Applicable Model
| HAKKO FM-203 | Handpiece : FM-2027(70W) |
| HAKKO FM-204 | Handpiece : FM-2027(70W) |
| HAKKO FM-206 | Handpiece : FM-2027(70W) |
| HAKKO FX-950 | Handpiece : FM-2028(70W) |
| HAKKO FX-951 | Handpiece : FM-2028(70W) |
| HAKKO FX-952 | Handpiece : FM-2028(70W) |
| HAKKO FM-202 (Discontinued) | Handpiece : FM-2021(70W) (Discontinued) |
| Handpiece : FM-2027(70W) |
Shape BC/C
This type has a shape like a cone or column cut at a slant, which allows users to select the cut surface size depending on the workpiece.
It is used for drag soldering and pre-tinning of lead wires.
How to use the Shape BC/C and examples
Difference between BC/C and BCF/CF tip shape
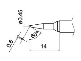
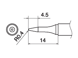
Shape SB
A solution for fine-pitch soldering














